Vít bậc dùng làm trục bản lề – loại rãnh dọc tiêu chuẩn / loại có lỗ lục giác / loại đầu vạt / loại đầu lục giác
Xem tham số chi tiết
Tham số chi tiết
Đóng
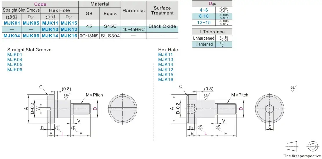
| Phân loại | Vít bậc làm trục bản lề |
|---|---|
| Hình dạng | Dạng bậc |
| Đặc tính kỹ thuật | Vai có khe thẳng, Vai có lỗ lục giác |
| Kích thước | Loại cấu hình kích thước |
| Dung sai đường kính ngoài | -0.01/-0.05, g6 |
| Chất liệu | 0Cr18Ni9, S45C, SUS304 |
| Độ cứng | 40-45HRC |
| Xử lý bề mặt | Không, Mạ đen |
Liên hệ nhận báo giá
Chưa có số điện thoại liên hệ.
SKU:
MJK01-46
Danh mục: Trục công xôn - Chốt bản lề




